企業博客
更多>>詳細介紹聲表面濾波器電路原理及應用
來源:http://m.web3dchina.com 作者:kbdzkj 2018年05月25
在眾多的頻率元件中,石英晶振,有源晶振,二極管,電阻等各種類型,均被使用在各行業領域中當然濾波器也屬于頻率元件。那么聲表面濾波器又是什么呢?
聲表面波濾波器(SAW)是利用石英、鈮酸鋰、鈦酸鋇晶體具有壓電效應的性質做成的。所謂壓電效應,即是當晶體受到機械作用時,將產生與壓力成正比的電場的現象。具有壓電效應的晶振,在受到電信號的作用時,也會產生彈性形變而發出機械波(聲波),即可把電信號轉為聲信號。由于這種聲波只在晶體表面傳播,故稱為聲表面波。
其實,其振蕩電路也不是聲表振蕩電路的唯一形式。設計者經過多年的探索,設計開發了多種可滿足不同需要的聲表穩頻振蕩發射電路,從耗電微瓦級微功率的發射機到輸出功率達數瓦的單級大功率發射機,以及從ASK(幅度鍵控)或FSK(頻移鍵控)調制方式的數傳或遙控用發射機到AM(調幅)或FM(調頻)方式的語音及圖像傳送用發射機均已開發成功?,F將一套發射/接收都用聲表穩頻的、在開闊地上最大遙控距離可達3000米的高性能無線電遙控電路介紹給廣大電子愛好者。
一、發射機
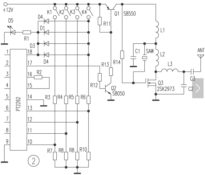
這是一個帶地址編碼的四鍵微型超遠程遙控發射機,電路原理見下: R11~R13、Q1、Q2組成電子開關式調制電路,當編碼器輸出為高電平時Q1導通,振蕩發射級工作;當編碼器輸出為低電平時Q1截止,振蕩發射級停止工作,從而完成ASK調制。R14、Q3、C1、L1、L2及聲表諧振器SAW組成315MHz的功率振蕩級,Q3為高頻功率場效應管,在450MHz下可輸出1.5W的功率,其中L1、L2及C1組成SAW所需要的移相選頻及匹配網絡,使Q3與SAW在很高的效率下工作。L3、C2及C3組成天線匹配網絡,使天線阻抗與振蕩級匹配,確保其穩定工作。
發射機主要技術指標如下:1)工作電壓范圍:3V~12V;2)工作頻率:315MHz±100kHz,也可選擇其它頻率;3)頻率穩定度:優于10-5;4)峰值發射功率:0.5W;5)工作溫度范圍:-20℃~+80℃;6)地址碼數:6561組不重復;7)工作方式:間斷工作;8)外形尺寸:73mm×37mm×15mm。
本機編碼及按鍵控制部分與一般遙控發射機相似,特色部分為調制級和振蕩發射級采用的是本人獨創的單級中功率振蕩發射電路,這是本機微型化、低功耗和遠距離遙控的保證。
二、接收機
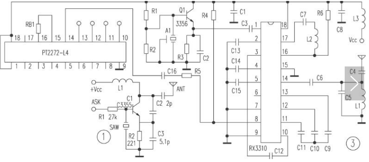
接收機是用聲表面濾波器穩頻的超外差式成品板,電路原理見下: 接收機以集成電路RX3310為核心元件,組成ASK制解調的超外MHz式接收機,其靈敏度為-105dBm。RX3310的①、②腳為本機振蕩回路元件連接端,外接一個LC選頻網絡即可產生本振信號。為了提高本機穩定性,本振信號用外接的聲表穩頻振蕩電路產生,通過①腳輸入。解調出的數據信號從⑧腳輸出送入解碼器解碼。
接收機主要技術指標如下:1)工作電壓范圍:2.7V~5V;2)工作頻率:315MHz±100kHz,也可選擇其它頻率;3)工作電流:≤3mA(3V供電時);4)接收靈敏度:優于-105dBm;5)工作溫度范圍:-20℃~+80℃;6)地址碼/數據:八位三態地址/四位數據;7)工作方式:連續工作;8)外形尺寸:28mm×32mm×5mm。
三、應用
由于這套組件的發射和接收部分都采用了聲表面濾波器穩頻,因此工作穩定并具有遙控距離遠,完全可以滿足工業及民用產品對穩定性和可靠性的要求。這套組件的設計充分考慮了多用途和可擴充性等方面的要求,廣泛適用于安防產品、車庫門、交通指揮、車 船 模型、工業自控等領域的遠距離遙控操作。
這套組件在開闊地上的遙控距離通??蛇_1.2~1.5公里,如果改用12V電池組或直流穩壓電源供電,遙控距離則可達2公里,如果再將天線換成小型吸盤天線或同軸偶極天線則遙控距離可達3公里以上。 需要特別說明的是:發射機電路是按間斷工作的要求設計的,故每次按鍵的時間不得超過1秒鐘,并且通/斷之比應小于1。天線阻抗不匹配也會影響發射效果,甚至損壞發射管,故發射前一定要將拉桿天線全部拉出。
聲表面諧振器(SWA)雖為模擬器件,但由于其良好的濾波特性,在眾多領域被廣泛應用,特別是在有線電視系統中,圖像中頻濾波器、伴音濾波器、頻道殘留邊帶濾波器等SWA器件均為實現鄰頻傳輸的關鍵。除此之外,在GPS接收機中的前端濾波器,由于具有抗干擾能力強的特點,SAW器件也被大量采用。
聲表面波濾波器(SAW)是利用石英、鈮酸鋰、鈦酸鋇晶體具有壓電效應的性質做成的。所謂壓電效應,即是當晶體受到機械作用時,將產生與壓力成正比的電場的現象。具有壓電效應的晶振,在受到電信號的作用時,也會產生彈性形變而發出機械波(聲波),即可把電信號轉為聲信號。由于這種聲波只在晶體表面傳播,故稱為聲表面波。
其實,其振蕩電路也不是聲表振蕩電路的唯一形式。設計者經過多年的探索,設計開發了多種可滿足不同需要的聲表穩頻振蕩發射電路,從耗電微瓦級微功率的發射機到輸出功率達數瓦的單級大功率發射機,以及從ASK(幅度鍵控)或FSK(頻移鍵控)調制方式的數傳或遙控用發射機到AM(調幅)或FM(調頻)方式的語音及圖像傳送用發射機均已開發成功?,F將一套發射/接收都用聲表穩頻的、在開闊地上最大遙控距離可達3000米的高性能無線電遙控電路介紹給廣大電子愛好者。
一、發射機
這是一個帶地址編碼的四鍵微型超遠程遙控發射機,電路原理見下: R11~R13、Q1、Q2組成電子開關式調制電路,當編碼器輸出為高電平時Q1導通,振蕩發射級工作;當編碼器輸出為低電平時Q1截止,振蕩發射級停止工作,從而完成ASK調制。R14、Q3、C1、L1、L2及聲表諧振器SAW組成315MHz的功率振蕩級,Q3為高頻功率場效應管,在450MHz下可輸出1.5W的功率,其中L1、L2及C1組成SAW所需要的移相選頻及匹配網絡,使Q3與SAW在很高的效率下工作。L3、C2及C3組成天線匹配網絡,使天線阻抗與振蕩級匹配,確保其穩定工作。
發射機主要技術指標如下:1)工作電壓范圍:3V~12V;2)工作頻率:315MHz±100kHz,也可選擇其它頻率;3)頻率穩定度:優于10-5;4)峰值發射功率:0.5W;5)工作溫度范圍:-20℃~+80℃;6)地址碼數:6561組不重復;7)工作方式:間斷工作;8)外形尺寸:73mm×37mm×15mm。
本機編碼及按鍵控制部分與一般遙控發射機相似,特色部分為調制級和振蕩發射級采用的是本人獨創的單級中功率振蕩發射電路,這是本機微型化、低功耗和遠距離遙控的保證。
二、接收機
接收機是用聲表面濾波器穩頻的超外差式成品板,電路原理見下: 接收機以集成電路RX3310為核心元件,組成ASK制解調的超外MHz式接收機,其靈敏度為-105dBm。RX3310的①、②腳為本機振蕩回路元件連接端,外接一個LC選頻網絡即可產生本振信號。為了提高本機穩定性,本振信號用外接的聲表穩頻振蕩電路產生,通過①腳輸入。解調出的數據信號從⑧腳輸出送入解碼器解碼。
接收機主要技術指標如下:1)工作電壓范圍:2.7V~5V;2)工作頻率:315MHz±100kHz,也可選擇其它頻率;3)工作電流:≤3mA(3V供電時);4)接收靈敏度:優于-105dBm;5)工作溫度范圍:-20℃~+80℃;6)地址碼/數據:八位三態地址/四位數據;7)工作方式:連續工作;8)外形尺寸:28mm×32mm×5mm。
三、應用
由于這套組件的發射和接收部分都采用了聲表面濾波器穩頻,因此工作穩定并具有遙控距離遠,完全可以滿足工業及民用產品對穩定性和可靠性的要求。這套組件的設計充分考慮了多用途和可擴充性等方面的要求,廣泛適用于安防產品、車庫門、交通指揮、車 船 模型、工業自控等領域的遠距離遙控操作。
這套組件在開闊地上的遙控距離通??蛇_1.2~1.5公里,如果改用12V電池組或直流穩壓電源供電,遙控距離則可達2公里,如果再將天線換成小型吸盤天線或同軸偶極天線則遙控距離可達3公里以上。 需要特別說明的是:發射機電路是按間斷工作的要求設計的,故每次按鍵的時間不得超過1秒鐘,并且通/斷之比應小于1。天線阻抗不匹配也會影響發射效果,甚至損壞發射管,故發射前一定要將拉桿天線全部拉出。
聲表面諧振器(SWA)雖為模擬器件,但由于其良好的濾波特性,在眾多領域被廣泛應用,特別是在有線電視系統中,圖像中頻濾波器、伴音濾波器、頻道殘留邊帶濾波器等SWA器件均為實現鄰頻傳輸的關鍵。除此之外,在GPS接收機中的前端濾波器,由于具有抗干擾能力強的特點,SAW器件也被大量采用。
正在載入評論數據...
此文關鍵字: 聲表面濾波器聲表面濾波器電路原理及應用
相關資訊
- [2024-02-18]Greenray晶體振蕩器專為國防和航...
- [2024-01-20]HELE加高產品和技術及熱門應用
- [2024-01-20]HELE加高一個至關重要的組件晶體...
- [2023-12-28]Suntsu晶振最新的射頻濾波器突破...
- [2023-12-28]Qantek提供各種高可靠性微處理器...
- [2023-10-11]日本納卡石英晶體的低老化領先同...
- [2023-09-25]遙遙領先H.ELE開啟汽車創新
- [2023-09-23]瑞薩電子MCU和MPU產品領先同行



.png)
.png)
.jpg)

