康比電子roducts
國產晶振
臺產晶振
進口晶振
- 日本大真空晶振
- 愛普生晶振
- 精工晶振
- 西鐵城晶振
- 村田晶振
- 進口KSS晶振
- NDK晶振
- 大河石英晶振
- 美國CTS晶振
- 微晶晶振
- Abracon晶振
- ECS晶振
- Golledge晶振
- IDT晶振
- Jauch晶振
- Pletronics晶振
- 拉隆晶振
- SiTime晶振
- Statek晶振
- 格林雷晶振
- 康納溫菲爾德晶振
- 日蝕晶振
- 瑞康晶振
- 維管晶振
- AEK晶振
- AEL晶振
- Cardinal晶振
- Crystek晶振
- Euroquartz晶振
- FOX晶振
- Frequency晶振
- Geyer晶振
- KVG晶振
- ILSI晶振
- MERCURY晶振
- MMDCOMP晶振
- MtronPTI晶振
- QANTEK晶振
- QuartzCom晶振
- Quarztechnik晶振
- Suntsu晶振
- Transko晶振
- Wi2Wi晶振
- Fujicom晶振
- Interquip晶振
- ITTI晶振
- Lihom晶振
- MTI晶振
- NAKA晶振
- Oscilent晶振
- PDI晶振
- Rubyquartz晶振
- Shinsung晶振
- SMI晶振
- CTECH晶振
- IQD晶振
- Microchip晶振
- NJR晶振
- Silicon晶振
- Anderson晶振
- Fortiming晶振
- CORE晶振
- NIPPON晶振
- NICKC晶振
- QVS晶振
- Bomar晶振
- Bliley晶振
- GED晶振
- FILTRONETICS晶振
- STD晶振
- Q-Tech晶振
- Wenzel晶振
- NEL晶振
- EM晶振
- PETERMANN晶振
- FCD-Tech晶振
- HEC晶振
- FMI晶振
- Macrobizes晶振
- AXTAL晶振
- Sunny晶振
- 瑞薩Renesas晶振
- SKYWORKS晶振
車載電子
數碼電子
智能家居
時計產品
無線網絡
智能穿戴
醫療器械
無人機
0755-27876201
常見問題
更多>>
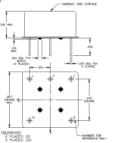
Greenray晶振,TCXO晶振,T1170/1171晶振,電源電壓范圍:1.8V?5 V,高穩定性,低抖動,低功耗,主要應用領域:無線通訊,高端智能手機,平板筆記本WLAN,藍牙,數碼相機,DSL和其他IT產品的晶振應用,三態功能,PC和LCDM等高端數碼領域,符合RoHS/無鉛.
晶振的真空封裝技術:是指石英晶振在真空封裝區域內進行封裝。1.防止外界氣體進入組件體內受到污染和增加應力的產生;2.使晶振組件在真空下電阻減小;3.氣密性高。此技術為研發及生產超小型、超薄型石英晶振必須攻克的關鍵技術之一
.jpg)
| 項目 | 符號 | T1170/1171晶振規格說明 | 條件 |
| 輸出頻率范圍 | f0 | 10~100MHZ | 請聯系我們以便獲取其它可用頻率的相關信息 |
| 電源電壓 | VCC | 3.3 V.5.0V | 請聯系我們以了解更多相關信息 |
| 儲存溫度 | T_stg | -55℃ to +125℃ | 裸存 |
| 工作溫度 | T_use | G: -40℃ to +85℃ | 請聯系我們查看更多資料http://m.web3dchina.com |
| H: -40℃ to +105℃ | |||
| J: -40℃ to +125℃ | |||
| 頻率穩定度 | f_tol | J: ±50 × 10-6 | |
| L: ±100 × 10-6 | |||
| T: ±150 × 10-6 | |||
| 功耗 | ICC | 3.5 mA Max. | 無負載條件、最大工作頻率 |
| 待機電流 | I_std | 3.3μA Max. | ST=GND |
| 占空比 | SYM | 45 % to 55 % | 50 % VCC 極, L_CMOS≦15 pF |
| 輸出電壓 | VOH | VCC-0.4V Min. | |
| VOL | 0.4 V Max. | ||
| 輸出負載條件 | L_CMOS | 15 pF Max. | |
| 輸入電壓 | VIH | 80% VCC Max. | ST 終端 |
| VIL | 20 % VCC Max. | ||
| 上升/下降時間 | tr / tf | 4 ns Max. | 20 % VCC to 80 % VCC 極, L_CMOS=15 pF |
| 振蕩啟動時間 | t_str | 3 ms Max. | t=0 at 90 % |
| 頻率老化 | f_aging | ±3 × 10-6 / year Max. | +25 ℃, 初年度,第一年 |
.jpg)


自動安裝時的沖擊:
石英晶振自動安裝和真空化引發的沖擊會破壞產品特性并影響這些產品。請設置安裝條件以盡可能將沖擊降至最低,并確保在安裝前未對晶振特性產生影響。條件改變時,請重新檢查安裝條件。同時,在安裝前后,請確保石英晶振產品未撞擊機器或其他電路板等。
每個封裝類型的注意事項
陶瓷包裝晶振與SON產品
在焊接陶瓷封裝晶振和SON產品 (陶瓷包裝是指晶振外觀采用陶瓷制品) 之后,彎曲電路板會因機械應力而導致焊接部分剝落或封裝分裂(開裂)。尤其在焊接這些產品之后進行電路板切割時,務必確保在應力較小的位置布局晶體并采用應力更小的切割方法。
陶瓷包裝石英晶振
在一個不同擴張系數電路板(環氧玻璃)上焊接陶瓷封裝石英晶振時,在溫度長時間重復變化時可能導致端子焊接部分發生斷裂,請事先檢查焊接特性。Greenray晶振,TCXO晶振,T1170/1171晶振

1、技術支持:全方位技術指導,專業的技術支持讓您感受到前所未有的后顧無憂.2、客服咨詢:專業的銷售團隊,耐心為您解答任何疑問,讓您的消費得到保障.
3、質量保證,誠信為本,上我司以“以科技為動力,以質量求生存,”為理念.
4、提升業績,降低成本為您的產品量身訂制,免費取樣,為您做到低成本,高效率.

康比電子聯系方式:Q Q: 577541227
電 話:0755-27876201
手 機: 13728742863
Email: kangbidz@163.com
網 址: http://m.web3dchina.com/
地 址: 廣東省深圳市寶安區41區33棟6層






