康比電子roducts
國產晶振
臺產晶振
進口晶振
- 日本大真空晶振
- 愛普生晶振
- 精工晶振
- 西鐵城晶振
- 村田晶振
- 進口KSS晶振
- NDK晶振
- 大河石英晶振
- 美國CTS晶振
- 微晶晶振
- Abracon晶振
- ECS晶振
- Golledge晶振
- IDT晶振
- Jauch晶振
- Pletronics晶振
- 拉隆晶振
- SiTime晶振
- Statek晶振
- 格林雷晶振
- 康納溫菲爾德晶振
- 日蝕晶振
- 瑞康晶振
- 維管晶振
- AEK晶振
- AEL晶振
- Cardinal晶振
- Crystek晶振
- Euroquartz晶振
- FOX晶振
- Frequency晶振
- Geyer晶振
- KVG晶振
- ILSI晶振
- MERCURY晶振
- MMDCOMP晶振
- MtronPTI晶振
- QANTEK晶振
- QuartzCom晶振
- Quarztechnik晶振
- Suntsu晶振
- Transko晶振
- Wi2Wi晶振
- Fujicom晶振
- Interquip晶振
- ITTI晶振
- Lihom晶振
- MTI晶振
- NAKA晶振
- Oscilent晶振
- PDI晶振
- Rubyquartz晶振
- Shinsung晶振
- SMI晶振
- CTECH晶振
- IQD晶振
- Microchip晶振
- NJR晶振
- Silicon晶振
- Anderson晶振
- Fortiming晶振
- CORE晶振
- NIPPON晶振
- NICKC晶振
- QVS晶振
- Bomar晶振
- Bliley晶振
- GED晶振
- FILTRONETICS晶振
- STD晶振
- Q-Tech晶振
- Wenzel晶振
- NEL晶振
- EM晶振
- PETERMANN晶振
- FCD-Tech晶振
- HEC晶振
- FMI晶振
- Macrobizes晶振
- AXTAL晶振
- Sunny晶振
- 瑞薩Renesas晶振
- SKYWORKS晶振
車載電子
數碼電子
智能家居
時計產品
無線網絡
智能穿戴
醫療器械
無人機
0755-27876201
常見問題
更多>>
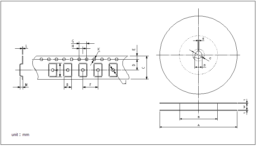
希華晶振,臺灣希華晶振,SX-3225晶體,希華石英晶體諧振器小型?薄型是對應陶瓷諧振器(偏差大)和普通的石英晶體諧振器(偏差小)的中間領域的一種性價比較出色的產品.產品廣泛用于筆記本電腦,無線電話,衛星導航HDD, SSD, USB, Blu-ray等用途,符合無鉛焊接的高溫回流焊曲線特性.

| 產品參數 | 符號 | 參數范圍 | 產品說明 |
| 晶振頻率范圍 | f_nom | 10.000MHz ~ 125.000MHz |
基頻與泛音 對于超出標準的規格說明, 請聯系我們以便獲取相關信息. |
| 儲存溫度 | T_stg | -40°C ~ +125°C | 裸存 |
| 工作溫度 | T_use | -40°C ~ +85°C | |
| 激勵功率 | DL | 200µW Max. | 推薦:1µW ~ 100µW |
| 頻率公差 | f_tol | ±10 × 10-6 |
+25°C 對于超出標準的規格說明, 請聯系我們以便獲取相關的信息. |
| 頻率溫度特征 | f_tem | ±10 × 10-6 / -20°C ~ +75°C |
對于超出標準的規格說明, 請聯系我們以便獲取相關的信息 |
| 負載電容 | CL | 7pF-9pF-12pF-可指定 |
對于超出標準的規格說明, 請聯系我們以便獲取相關的信息 |
| 串聯電阻(ESR) | R1 | 如下表所示 |
-40°C to +85°C, DL = 100µW |
| 頻率老化 | f_age | ±1 × 10-6 / year Max. *1 | +25°C,第一年 |



在十年的時間里希華晶體科技刻苦專研,開發大量新產品,正式從原始普通石英晶體諧振器,慢慢的步入SMD晶體,有源貼片晶振領域,并且成功在1998年回到祖國的懷抱,到了沒了的中國廣東省東莞市投資建廠,主要生產SMD晶振系列,剛開始以有源5070mm石英晶體振蕩器為主.后在慢慢的開始量產常規石英晶體諧振器,后以小尺寸3225mm,2520mm尺寸為主.

希華晶體科技本于‘善盡企業責任、降低環境沖擊、提升員工健康’的理念,執行各項環境及職業安全衛生管理工作;落實公司環安衛政策要求使環境暨安全衛生管理成效日益顯著,不僅符合國內環保、勞安法令要求,同時也能達到國際環保、安全衛生標準.

.jpg)


深圳康比電子聯系方式
聯系人:陳濤
電 話:0755-27876201
手 機: 13728742863
Q Q:577541227
Email:kangbidz@163.com
網址:http://m.web3dchina.com






