康比電子roducts
國產晶振
臺產晶振
進口晶振
- 日本大真空晶振
- 愛普生晶振
- 精工晶振
- 西鐵城晶振
- 村田晶振
- 進口KSS晶振
- NDK晶振
- 大河石英晶振
- 美國CTS晶振
- 微晶晶振
- Abracon晶振
- ECS晶振
- Golledge晶振
- IDT晶振
- Jauch晶振
- Pletronics晶振
- 拉隆晶振
- SiTime晶振
- Statek晶振
- 格林雷晶振
- 康納溫菲爾德晶振
- 日蝕晶振
- 瑞康晶振
- 維管晶振
- AEK晶振
- AEL晶振
- Cardinal晶振
- Crystek晶振
- Euroquartz晶振
- FOX晶振
- Frequency晶振
- Geyer晶振
- KVG晶振
- ILSI晶振
- MERCURY晶振
- MMDCOMP晶振
- MtronPTI晶振
- QANTEK晶振
- QuartzCom晶振
- Quarztechnik晶振
- Suntsu晶振
- Transko晶振
- Wi2Wi晶振
- Fujicom晶振
- Interquip晶振
- ITTI晶振
- Lihom晶振
- MTI晶振
- NAKA晶振
- Oscilent晶振
- PDI晶振
- Rubyquartz晶振
- Shinsung晶振
- SMI晶振
- CTECH晶振
- IQD晶振
- Microchip晶振
- NJR晶振
- Silicon晶振
- Anderson晶振
- Fortiming晶振
- CORE晶振
- NIPPON晶振
- NICKC晶振
- QVS晶振
- Bomar晶振
- Bliley晶振
- GED晶振
- FILTRONETICS晶振
- STD晶振
- Q-Tech晶振
- Wenzel晶振
- NEL晶振
- EM晶振
- PETERMANN晶振
- FCD-Tech晶振
- HEC晶振
- FMI晶振
- Macrobizes晶振
- AXTAL晶振
- Sunny晶振
- 瑞薩Renesas晶振
- SKYWORKS晶振
車載電子
數碼電子
智能家居
時計產品
無線網絡
智能穿戴
醫療器械
無人機
0755-27876201
常見問題
更多>>
.jpg)
.jpg)
M32K768000S003,32.768KHz,2012mm,AEL有源晶振,MEMS,CMOS輸出振蕩器,AEL晶振,艾爾晶振,英國進口晶振,產品編碼為:M32K768000S003,頻率:32.768KHz,MEMS晶振,CMOS輸出振蕩器,工作溫度范圍:-40℃至+85℃,頻率穩定性:±100ppm,小體積晶振尺寸:2.0x1.2mm,兩腳貼片晶振,石英晶振,有源晶振,SMD晶振,石英晶體振蕩器,2012晶振,具有超小型晶振,輕薄型晶振,高品質晶振,耐熱及耐環境特點,應用于:移動通訊晶振,無線網絡晶振,儀器儀表晶振,可穿戴設備晶振,鐘表電子晶振,汽車電子等應用。
M32K768000S003,32.768KHz,2012mm,AEL有源晶振,MEMS,CMOS輸出振蕩器,產品特點:
•SMD MEMS CMOS 32.768kHz振蕩器
•穩定性:±100ppm
•工作溫度-40°C至+85°C
.jpg)
.jpg)
M32K768000S003,32.768KHz,2012mm,AEL有源晶振,MEMS,CMOS輸出振蕩器,參數表
| PARAMETERS | MAX (Unless otherwise noted) | |||||||
| Frequency Range | 32.768000kHz | |||||||
| Overall Stability | ± 100 ppm | |||||||
|
Temperature Range Operating (TOPR) Storage (TSTG) |
-40°C to +85°C -55°C to +125°C |
|||||||
| Input Current (mA) | 1.4uA Max | |||||||
| 0 Level | 10% Vdd Max | |||||||
| 1 Level | 90% Vdd Min | |||||||
| Symmetry | 48/52 | |||||||
| Output Load | 1-10 LSTTL/15pF | |||||||
| Output Waveform | HCMOS | |||||||
| Rise Fall Time (ns) | 200.00ns | |||||||
| Startup Time (ms) | 300.00ms | |||||||
| Enable Disable Function | NONE | |||||||
| Output Jitter or EMI | 35nS Typ - Period Jitter | |||||||
| Input Voltage | 1.5 ~ 3.63V | |||||||
|
Maximum Soldering Temp / Time |
260°C / 10 seconds x2 | |||||||
|
Moisture Sensitivity Level (MSL) per J-STD-033 |
1 | |||||||
| Lead (Pb) Free | Yes | |||||||
| RoHS Compliant | Yes | |||||||
.jpg)
.jpg)
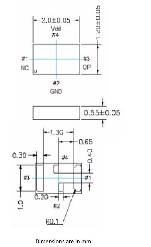
M32K768000S003,32.768KHz,2012mm,AEL有源晶振,MEMS,CMOS輸出振蕩器,尺寸圖


| Part | Brand | Type | Frequency | Subtype |
| ELSADV-16.000MHz-LK-T | AEL Crystals | XO (Standard) | 16 MHz | Crystal |
| ELSDDV-20.000MHz-LJ-T | AEL Crystals | XO (Standard) | 20 MHz | Crystal |
| ELSEDV-50.000MHz-ER-T | AEL Crystals | XO (Standard) | 50 MHz | Crystal |
| ELSFL1-26.000MHz-DC-T | AEL Crystals | XO (Standard) | 26 MHz | Crystal |
| ELTX-11-F-19.680MHz-D25-T | AEL Crystals | TCXO | 19.68 MHz | Crystal |
| ELVTX-11-A-16.800MHz-F10-T | AEL Crystals | VCTCXO | 16.8 MHz | Crystal |
| M25M000000S034 | AEL Crystals | XO (Standard) | 25 MHz | MEMS |
| M32K768000S003 | AEL Crystals | XO (Standard) | 32.768 kHz | MEMS |
| M32K768000S014 | AEL Crystals | XO (Standard) | 32.768 kHz | MEMS |
| M40M000000S011 | AEL Crystals | XO (Standard) | 40 MHz | MEMS |
| M47M333300S004 | 有源晶振 | XO (Standard) | 47.3333 MHz | MEMS |
| M70M500000S002 | AEL Crystals | XO (Standard) | 70.5 MHz | MEMS |
| O100M000000S008 | AEL Crystals | XO (Standard) | 100 MHz | Crystal |
| O10M000000S202 | AEL Crystals | XO (Standard) | 10 MHz | Crystal |
| O125M000000S002 | AEL Crystals | XO (Standard) | 125 MHz | Crystal |
| O24M000000L006 | AEL Crystals | XO (Standard) | 24 MHz | Crystal |
| O2M000000S004 | AEL Crystals | XO (Standard) | 2 MHz | Crystal |
| O50M000000S048 | AEL Crystals | XO (Standard) | 50 MHz | Crystal |
| T10M000000S019 | AEL Crystals | TCXO | 10 MHz | Crystal |
| T19M680000S007 | AEL Crystals | TCXO | 19.68 MHz | Crystal |
| T24M000000S006 | AEL Crystals | TCXO | 24 MHz | Crystal |
| V13M000000S005 | AEL Crystals | VCTCXO | 13 MHz | Crystal |
| V13M000000S009 | AEL Crystals | VCTCXO | 13 MHz | Crystal |
| V14M400000S004 | AEL Crystals | VCTCXO | 14.4 MHz | Crystal |
| V16M800000S001 | AEL Crystals | VCTCXO | 16.8 MHz | Crystal |
| V19M200000S008 | AEL Crystals | VCTCXO | 19.2 MHz | Crystal |
| V19M200000S012 | AEL Crystals | VCTCXO | 19.2 MHz | Crystal |
| V19M200000S025 | AEL Crystals | VCTCXO | 19.2 MHz | Crystal |
| V27M000000S016 | AEL Crystals | VCTCXO | 27 MHz | Crystal |


1、技術支持:全方位技術指導,專業的技術支持讓您感受到前所未有的后顧無憂.
2、客服咨詢:專業的銷售團隊,耐心為您解答任何疑問,讓您的消費得到保障.
3、質量保證,誠信為本,上我司以“以科技為動力,以質量求生存,”為理念.
4、提升業績,降低成本為您的產品量身訂制,免費取樣,為您做到低成本,高效率.
3、質量保證,誠信為本,上我司以“以科技為動力,以質量求生存,”為理念.
4、提升業績,降低成本為您的產品量身訂制,免費取樣,為您做到低成本,高效率.

康比電子聯系方式:
Q Q: 577541227
電 話:0755-27876201
手 機: 13728742863
Email: kangbidz@163.com
網 址: http://m.web3dchina.com/
地 址: 廣東省深圳市寶安區41區33棟6層
Q Q: 577541227
電 話:0755-27876201
手 機: 13728742863
Email: kangbidz@163.com
網 址: http://m.web3dchina.com/
地 址: 廣東省深圳市寶安區41區33棟6層










